
18121388846
cnklfm@163.com
15706269064
959210378Q41F-16Z鑄鐵法蘭球閥的關閉件是個球體,球體繞閥體心線作旋轉來達到開啟、關閉的一種閥門。 球閥在管路中主要用來做切斷、分配和改變介質的流動方向。
浮動球閥采用設計的雙斜面彈性密封圈,減少了球體與密封圈之間的摩擦力,減少了操作力矩。當介質壓力較小時,密封圈與球體接觸面積較小,故有較大的密封比壓,密封好。當介質壓力較大時,密封圈與球鐵接觸面積也相應增大。故密封圈能承受較大的介質推力而不會損壞,密封好。

| 型號 | 公稱壓力 | 試驗壓力 | 適用溫度 | 適用介質 | |
| 強度(水) | 密封(水) | ||||
| Q41F | 1.6 | 2.4 | 1.8 | ≤150℃ | 蒸汽、水、油 |
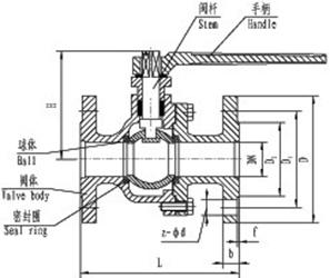
| 零件名稱 | 閥體 | 球體 | 閥桿 | 手柄 |
| 材質屬性 | 鑄鐵、球鐵 | 碳鋼、不銹鋼 | 碳鋼、不銹鋼 | 灰鑄鐵 |
| 通徑 | 尺寸 | ||||||
| L | D | D1 | D2 | b-f | z-Φd | H | |
| 20 | 150 | 105 | 75 | 55 | 16-2 | 4-14 | 84 |
| 25 | 160 | 115 | 85 | 65 | 16-2 | 4-14 | 95 |
| 32 | 165 | 135 | 100 | 78 | 18-2 | 4-18 | 105 |
| 40 | 180 | 145 | 110 | 85 | 18-3 | 4-18 | 120 |
| 50 | 203 | 160 | 125 | 100 | 20-3 | 4-18 | 125 |
| 65 | 222 | 180 | 145 | 120 | 20-3 | 4-18 | 150 |
| 80 | 241 | 195 | 160 | 135 | 22-3 | 8-18 | 180 |
| 100 | 305 | 215 | 180 | 155 | 24-3 | 8-18 | 190 |
| 125 | 356 | 245 | 210 | 185 | 26-3 | 8-18 | 220 |
| 150 | 394 | 280 | 240 | 210 | 28-3 | 8-23 | 238 |
| 200 | 457 | 335 | 295 | 265 | 30-3 | 12-23 | 250 |
獲取Q41F-16Z-鑄鐵法蘭球閥報價或訂購產品時請提供以下參數:
執行標準:國標GB,日標JIS,美標ANSI,德標DIN,并支持非標訂制;
公稱通徑(DN),或以“寸”為尺寸單位,如:DN100,4寸(4");
公稱壓力(MPa),或以“Lb”,“K”,“pa”,“kpa”,“bar”,“psi”,為壓力單位,如:1.6MPa,150LB,10K;其它壓力單位將換算成MPa進行計算。
連接形式:法蘭,對夾,焊接(對焊,承插焊),螺紋(G螺紋,NPT螺紋,RC螺紋...),卡箍,卡套;
使用介質:水,弱腐蝕性介質,強腐蝕性介質,蒸汽,油品,可燃氣體,固液共存流體,等等,粘稠介質需提供粘度;
使用溫度:低溫,常溫,中溫,高溫,需提供實際使用溫度值;
閥體材質:鑄鐵,鑄鋼(20#或稱WCB),鍛鋼,不銹鋼(304/304L/316/316L),雙相不銹鋼,等等;
密封材料:橡膠,聚四氟乙烯,陶瓷,PPL等,硬密封(閥體材料密封,合金鋼,硬質合金等);
驅動方式:手柄,蝸輪,氣動,氣動+手動,(選擇氣動驅動需提供氣源壓力,單/雙作用,附件要求...),電動,電動+手動,(選擇電動驅動需提供電壓,電裝防護/防爆要求...),等等;
閥門Kv/Cv值:若對流量有要求,需提出;
以上為常規選型,提供相關參數若符合常規產品即可獲取對應產品報價,非標訂制(非常規尺寸/閥體材質/密封材質/使用介質/溫度等)需由我司具體確認價格及貨期。
若有產品試驗、檢驗標準及其他要求需在獲取報價/訂貨時提出;
若由客戶提供閥門類型和型號時(非標準型號),客戶應正確說明其型號的含義和要求,在供需雙方理解相同的條件下簽訂合同;
產品質量要求、質量標準、供方對質量負責的條件:按有關質量標準執行;
報價確認:我司提供報價清單及標準說明至客戶確認,在雙方確認后再擬定合同;
Q41F-16Z-鑄鐵法蘭球閥使用的場合重要或環境比較復雜時,請您盡量提供設計圖紙和詳細參數,由我們幫您確認。
上海昆煉閥門制造有限公司
滬公網安備 SITEMAP