
18121388846
cnklfm@163.com
15706269064
959210378Q641F氣動三片式法蘭球閥適用于PN1.0~4.0MPa、工作溫度-29~180℃(密封圈為聚四氟乙烯)或-29~300℃(密封圈為對位聚苯)的管路上,用于截斷或接通管道中的流體。選用不同的材質可分別適用于水、蒸汽、油品、氧化性介質、尿素等多種介質。可應用于造紙、石化、化工、冶金、電力、石油、輕工等工業部門的自動化控制系統中。
| 產品口徑 | 15-100MM |
| 產品壓力 | 1.0Mpa-4.0Mpa、150-600LB |
| 閥體材質 | 不銹鋼304、316、316L |
| 球體材質 | 不銹鋼304、316、316L |
| 密封材質 | PTEE、PPL、合金鋼 |
| 適用溫度 | -30~+300℃ |
| 適用介質 | 水、氣體、油品等 |
| 控制方式 | 開關型、調節型 |
| 驅動方式 | 手動、氣動、電動 |
| 執行器型號 | GT、AT系列單雙作用氣動執行器 |
| 供氣壓力 | 0.4~0.8MPa |
| 氣源接口 | G1/4"、G1/8"、G3/8"、G1/2" |
| 環境溫度 | -30~+70℃ |
| 作用形式 | 單作用執行機構:氣關式(B)-失氣時閥位開(FO);氣開式(K)-失氣時閥位關(FC) 雙作用執行機構:氣關式(B)-失氣時閥位保持(FL);氣開式(K)-失氣時閥位保持(FL) |
| 可配附件 | 定位器、電磁閥、空氣過濾減壓器、保位閥、行程開關、閥位傳送器、手輪機構等 |
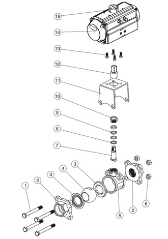
| 序號 | 零件名稱 | 材質 | ![]() |
| 1 | 螺栓 | 不銹鋼304 | |
| 2 | 接頭 | 不銹鋼304、304L、316、316L | |
| 3 | 閥座 | PTFE、對位聚苯(PPL)、尼龍、硬質合金 | |
| 4 | 球體 | 不銹鋼304、304L、316、316L | |
| 5 | 閥體 | 不銹鋼304、304L、316、316L | |
| 6 | 螺母 | 不銹鋼304 | |
| 7 | 閥桿 | 不銹鋼304、304L、316、316L | |
| 8 | 墊片 | 不銹鋼304、316 | |
| 9 | 填料 | PTFE | |
| 10 | 壓蓋 | 不銹鋼304、316 | |
| 11 | 連接支架 | 不銹鋼CF8 | |
| 12 | 連接套 | 不銹鋼304 | |
| 13 | 螺栓 | 不銹鋼304 | |
| 14 | 氣動執行器 | AT系列 | |
| 15 | 位置指示器 | 塑料 |
獲取Q641F-氣動三片式法蘭球閥報價或訂購產品時請提供以下參數:
執行標準:國標GB,日標JIS,美標ANSI,德標DIN,并支持非標訂制;
公稱通徑(DN),或以“寸”為尺寸單位,如:DN100,4寸(4");
公稱壓力(MPa),或以“Lb”,“K”,“pa”,“kpa”,“bar”,“psi”,為壓力單位,如:1.6MPa,150LB,10K;其它壓力單位將換算成MPa進行計算。
連接形式:法蘭,對夾,焊接(對焊,承插焊),螺紋(G螺紋,NPT螺紋,RC螺紋...),卡箍,卡套;
使用介質:水,弱腐蝕性介質,強腐蝕性介質,蒸汽,油品,可燃氣體,固液共存流體,等等,粘稠介質需提供粘度;
使用溫度:低溫,常溫,中溫,高溫,需提供實際使用溫度值;
閥體材質:鑄鐵,鑄鋼(20#或稱WCB),鍛鋼,不銹鋼(304/304L/316/316L),雙相不銹鋼,等等;
密封材料:橡膠,聚四氟乙烯,陶瓷,PPL等,硬密封(閥體材料密封,合金鋼,硬質合金等);
驅動方式:手柄,蝸輪,氣動,氣動+手動,(選擇氣動驅動需提供氣源壓力,單/雙作用,附件要求...),電動,電動+手動,(選擇電動驅動需提供電壓,電裝防護/防爆要求...),等等;
閥門Kv/Cv值:若對流量有要求,需提出;
以上為常規選型,提供相關參數若符合常規產品即可獲取對應產品報價,非標訂制(非常規尺寸/閥體材質/密封材質/使用介質/溫度等)需由我司具體確認價格及貨期。
若有產品試驗、檢驗標準及其他要求需在獲取報價/訂貨時提出;
若由客戶提供閥門類型和型號時(非標準型號),客戶應正確說明其型號的含義和要求,在供需雙方理解相同的條件下簽訂合同;
產品質量要求、質量標準、供方對質量負責的條件:按有關質量標準執行;
報價確認:我司提供報價清單及標準說明至客戶確認,在雙方確認后再擬定合同;
Q641F-氣動三片式法蘭球閥使用的場合重要或環境比較復雜時,請您盡量提供設計圖紙和詳細參數,由我們幫您確認。
上海昆煉閥門制造有限公司
滬公網安備 SITEMAP