
18121388846
cnklfm@163.com
15706269064
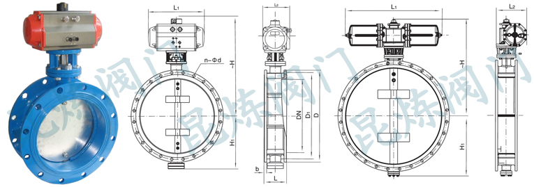
959210378D641W氣動法蘭通風蝶閥閥體部分采用金屬鋼材焊接制作而成,具有操作方便、動作快、泄漏率小、使用長、安裝維修方便,適用于低壓差、大口徑、大流量的一些應用場合,它與執行機構組合配套使用組合成不同性能的閥門。氣動法蘭通風蝶閥與電氣閥門定位器一起配套使用,執行器上輸入4~20mADC信號及0.4~0.7MPa氣源可控制運轉,實現對流量、壓力、溫度、液位等參數的調節。或者配電磁閥、行程限位開關、減壓閥及0.4-0.7MPa氣源可實現開關操作,并且送出二對無源觸點信號指示閥門的開關。
氣動法蘭通風蝶閥適用于兩位切斷的場合,閥與執行機構的連接采用支連方式,閥瓣跟閥體之間的膨脹間隙大,以免因熱脹冷縮造成的卡住現象。氣動通風蝶閥采用中線式蝶板與短結構鋼板焊接的結構形式設計、焊接而成,結構緊湊、便于安裝、流阻小、重量輕、流通量大、以免高溫膨脹的影響。內無連桿、螺栓等、使用長、適用于低壓差、大口徑、大流量的場合,它與執行機構組合配套使用,組合成不同性能的閥門,可以多工位安裝不受介質流向影響。它是一種非密閉型的蝶閥,適用于通風除塵系統,對含塵氣體、通風凈化裝置、煙氣管道等、介質溫度<300℃,公稱壓力為0.1Mpa的管道上,用以連通、啟閉和調節介質量。
1、設計合理、重量輕、啟閉快。
2、操力矩小、操作方便、省力。
3、采用適應的材料以符合低、中、高不同介質溫度其及腐蝕性介質等。
D641W氣動法蘭通風蝶閥應用于煤氣管道、通風凈化裝置、煙氣管道、通風除塵系統,對含塵氣體、等作為流量調節和截流用。適用于工業、冶金等管道作通風調節介質流量之用。
| 零件名稱 | 材料 |
| 閥體 | 碳鋼、不銹鋼、鉻鎳鉬鈦鋼、鉻鉬鈦鋼等材料 |
| 蝶板 | 碳鋼、不銹鋼、鉻鎳鉬鈦鋼、鉻鉬鈦鋼等材料 |
| 密封圈 | 與閥體相同 |
| 閥桿 | 碳鋼、2Cr13、不銹鋼、鉻鎳鉬鈦鋼 |
| 填料 | 氟塑料、柔性石墨 |
| 閥體形式 | 鋼板焊接閥體 |
| 公稱通徑 | DN50~2000mm |
| 公稱壓力 | PN0.25、0.6、1.0 MPa |
| 法蘭標準 | JIS B220、JB/T79、ANSI B16.5-1981、GB/T9113、HG20594-97、HG20618-97等 |
| 連接形式 | 法蘭式、對夾式 |
| 閥蓋形式 | 一體式 |
| 壓蓋型式 | 壓蓋壓緊式 |
| 密封填料 | V型聚四氟乙烯填料、柔性石墨填料 |
| 適用介質 | 煤氣、含塵氣體、煙道氣等。 |
| 適用溫度 | -40~+300℃ |

| 公稱通徑 | 結構長度 | 外形尺寸(參考值) | 連接尺寸標準值) | 重量 (KG) | ||||||||
| 0.05MPa和0.25MPa | 0.6MPa | |||||||||||
| 毫米 | 英寸 | L | H1 | H | A | D | D1 | n-d | D | D1 | n-d | |
| 50 | 2 | 108 | 70 | 337 | 180 | 140 | 110 | 4-14 | 140 | 110 | 4-14 | 16 |
| 65 | 2-1/2 | 112 | 80 | 357 | 180 | 160 | 130 | 4-14 | 160 | 130 | 4-14 | 17 |
| 80 | 3 | 114 | 95 | 385 | 180 | 190 | 150 | 4-18 | 190 | 150 | 4-18 | 19 |
| 100 | 4 | 127 | 105 | 405 | 180 | 210 | 170 | 4-18 | 210 | 170 | 4-18 | 22 |
| 125 | 5 | 140 | 120 | 483 | 245 | 240 | 200 | 8-18 | 240 | 200 | 8-18 | 27 |
| 150 | 6 | 140 | 132 | 508 | 245 | 265 | 225 | 8-18 | 265 | 225 | 8-18 | 31 |
| 200 | 8 | 152 | 160 | 566 | 245 | 320 | 280 | 8-18 | 320 | 280 | 8-18 | 47 |
| 250 | 10 | 165 | 187 | 623 | 245 | 375 | 335 | 12-18 | 375 | 335 | 12-18 | 68 |
| 300 | 12 | 178 | 220 | 750 | 355 | 440 | 395 | 12-22 | 440 | 395 | 12-22 | 79 |
| 350 | 14 | 190 | 245 | 803 | 355 | 490 | 445 | 12-22 | 490 | 445 | 12-22 | 130 |
| 400 | 16 | 216 | 270 | 852 | 355 | 540 | 495 | 16-22 | 540 | 495 | 16-22 | 141 |
| 450 | 18 | 222 | 297 | 907 | 355 | 595 | 550 | 16-22 | 595 | 550 | 16-22 | 190 |
| 500 | 20 | 229 | 322 | 960 | 355 | 645 | 600 | 20-22 | 645 | 600 | 20-22 | 225 |
| 600 | 24 | 267 | 377 | 1080 | 550 | 755 | 705 | 20-26 | 755 | 705 | 20-26 | 245 |
| 700 | 28 | 292 | 430 | 1185 | 550 | 860 | 810 | 24-26 | 860 | 810 | 24-26 | 320 |
| 800 | 32 | 318 | 487 | 1300 | 550 | 975 | 920 | 24-30 | 975 | 920 | 24-30 | 405 |
| 900 | 36 | 330 | 537 | 1400 | 550 | 1075 | 1020 | 24-30 | 1075 | 1020 | 24-30 | 500 |
| 1000 | 40 | 410 | 587 | 1500 | 550 | 1175 | 1120 | 28-30 | 1175 | 1120 | 28-30 | 700 |
| 1200 | 48 | 470 | 702 | 1825 | 600 | 1375 | 1320 | 32-30 | 1405 | 1340 | 32-33 | 750 |
獲取D641W-氣動法蘭通風蝶閥報價或訂購產品時請提供以下參數:
執行標準:國標GB,日標JIS,美標ANSI,德標DIN,并支持非標訂制;
公稱通徑(DN),或以“寸”為尺寸單位,如:DN100,4寸(4");
公稱壓力(MPa),或以“Lb”,“K”,“pa”,“kpa”,“bar”,“psi”,為壓力單位,如:1.6MPa,150LB,10K;其它壓力單位將換算成MPa進行計算。
連接形式:法蘭,對夾,焊接(對焊,承插焊),螺紋(G螺紋,NPT螺紋,RC螺紋...),卡箍,卡套;
使用介質:水,弱腐蝕性介質,強腐蝕性介質,蒸汽,油品,可燃氣體,固液共存流體,等等,粘稠介質需提供粘度;
使用溫度:低溫,常溫,中溫,高溫,需提供實際使用溫度值;
閥體材質:鑄鐵,鑄鋼(20#或稱WCB),鍛鋼,不銹鋼(304/304L/316/316L),雙相不銹鋼,等等;
密封材料:橡膠,聚四氟乙烯,陶瓷,PPL等,硬密封(閥體材料密封,合金鋼,硬質合金等);
驅動方式:手柄,蝸輪,氣動,氣動+手動,(選擇氣動驅動需提供氣源壓力,單/雙作用,附件要求...),電動,電動+手動,(選擇電動驅動需提供電壓,電裝防護/防爆要求...),等等;
閥門Kv/Cv值:若對流量有要求,需提出;
以上為常規選型,提供相關參數若符合常規產品即可獲取對應產品報價,非標訂制(非常規尺寸/閥體材質/密封材質/使用介質/溫度等)需由我司具體確認價格及貨期。
若有產品試驗、檢驗標準及其他要求需在獲取報價/訂貨時提出;
若由客戶提供閥門類型和型號時(非標準型號),客戶應正確說明其型號的含義和要求,在供需雙方理解相同的條件下簽訂合同;
產品質量要求、質量標準、供方對質量負責的條件:按有關質量標準執行;
報價確認:我司提供報價清單及標準說明至客戶確認,在雙方確認后再擬定合同;
D641W-氣動法蘭通風蝶閥使用的場合重要或環境比較復雜時,請您盡量提供設計圖紙和詳細參數,由我們幫您確認。
上海昆煉閥門制造有限公司
滬公網安備 SITEMAP