
18121388846
cnklfm@163.com
15706269064
959210378X41F美標法蘭旋塞閥密封性是通過卡套四周的密封面來實現的。主要應用于化工、石油、冶金等行業的系統管路中,主要作用是輸送在常溫狀態下會凝固、易結晶的介質。旋塞閥是關閉件或柱塞形的旋轉閥,通過旋轉90度使閥塞上的通道口與閥體上的通道口相通或分開,實現開啟或關閉的一種閥門。旋塞閥的閥塞的形狀可成圓柱形或圓錐形。在圓柱形閥塞中,通道一般成矩形;而在錐形閥塞中,通道成梯形。
| 項目 | 設計 | 壓力-溫度基準 | 結構長度 | 法蘭連接尺寸 | 試驗與檢驗 |
| 標準 | ANSI B16.34.AP1600 | ANSI B16.34 | ANSI B16.10 | ANSI B16.5 | AP1598 |
| 型號 | 壓力級 (Lb) |
試驗壓力PS(MPa) | 適用介質 | 適用溫度℃ 聚四氟乙烯 | ||
| 殼體 | 密封(水) | 低壓密封(氣) | ||||
| X41F-150(Lb)C X41F-300(Lb)C X41F-600(Lb)C |
150 | 3.0 | 2.2 | 0.5~0.7 | 水、蒸氣、油品等 | ≤150 |
| 300 | 7.8 | 5.6 | ||||
| 600 | 15.3 | 11.2 | ||||
| X41F-150(Lb)P X41F-300(Lb)P X41F-600(Lb)P |
150 | 3.0 | 2.2 | 0.5~0.7 | 酸類 | ≤150 |
| 300 | 7.8 | 5.6 | ||||
| 600 | 15.3 | 11.2 | ||||
| X41F-150(Lb)R X41F-300(Lb)R X41F-600(Lb)R |
150 | 3.0 | 2.2 | 0.5~0.7 | 醋酸類 | ≤150 |
| 300 | 7.8 | 5.6 | ||||
| 600 | 15.3 | 12.2 | ||||
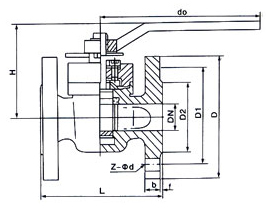
| 壓力 | 公稱通徑DN | 尺寸(mm) | |||||||||
| (in) | (mm) | D | D1 | D2 | L | H | do | b-f | Z-φd | ![]() | |
| 150Lb | 1/2 | 15 | 89 | 60.5 | 35 | 108 | 110 | 150 | 12-2 | 4-φ15 | |
| 3/4 | 20 | 98 | 70 | 43 | 117 | 115 | 150 | 12-2 | 4-φ15 | ||
| 1 | 25 | 108 | 79.5 | 51 | 127 | 115 | 180 | 12-2 | 4-φ15 | ||
| 11/4 | 32 | 117 | 89 | 64 | 140 | 135 | 270 | 13-2 | 4-φ15 | ||
| 11/2 | 40 | 127 | 98.5 | 73 | 165 | 140 | 280 | 15-2 | 4-φ15 | ||
| 2 | 50 | 152 | 120.5 | 92 | 178 | 150 | 300 | 16-2 | 4-φ19 | ||
| 21/2 | 65 | 178 | 139.5 | 105 | 190 | 165 | 350 | 18-2 | 4-φ19 | ||
| 3 | 80 | 190 | 152.5 | 127 | 203 | 180 | 400 | 19-2 | 4-φ19 | ||
| 4 | 100 | 229 | 190.5 | 157 | 229 | 380 | - | 24-2 | 4-φ19 | ||
| 5 | 125 | 254 | 216 | 186 | 254 | 460 | - | 25-2 | 8-φ22 | ||
| 6 | 150 | 279 | 241.5 | 216 | 267 | 520 | - | 27-2 | 8-φ22 | ||
| 8 | 200 | 343 | 298.5 | 270 | 292 | 580 | - | 30-2 | 8-φ22 | ||
獲取X41F-美標法蘭旋塞閥報價或訂購產品時請提供以下參數:
執行標準:國標GB,日標JIS,美標ANSI,德標DIN,并支持非標訂制;
公稱通徑(DN),或以“寸”為尺寸單位,如:DN100,4寸(4");
公稱壓力(MPa),或以“Lb”,“K”,“pa”,“kpa”,“bar”,“psi”,為壓力單位,如:1.6MPa,150LB,10K;其它壓力單位將換算成MPa進行計算。
連接形式:法蘭,對夾,焊接(對焊,承插焊),螺紋(G螺紋,NPT螺紋,RC螺紋...),卡箍,卡套;
使用介質:水,弱腐蝕性介質,強腐蝕性介質,蒸汽,油品,可燃氣體,固液共存流體,等等,粘稠介質需提供粘度;
使用溫度:低溫,常溫,中溫,高溫,需提供實際使用溫度值;
閥體材質:鑄鐵,鑄鋼(20#或稱WCB),鍛鋼,不銹鋼(304/304L/316/316L),雙相不銹鋼,等等;
密封材料:橡膠,聚四氟乙烯,陶瓷,PPL等,硬密封(閥體材料密封,合金鋼,硬質合金等);
驅動方式:手柄,蝸輪,氣動,氣動+手動,(選擇氣動驅動需提供氣源壓力,單/雙作用,附件要求...),電動,電動+手動,(選擇電動驅動需提供電壓,電裝防護/防爆要求...),等等;
閥門Kv/Cv值:若對流量有要求,需提出;
以上為常規選型,提供相關參數若符合常規產品即可獲取對應產品報價,非標訂制(非常規尺寸/閥體材質/密封材質/使用介質/溫度等)需由我司具體確認價格及貨期。
若有產品試驗、檢驗標準及其他要求需在獲取報價/訂貨時提出;
若由客戶提供閥門類型和型號時(非標準型號),客戶應正確說明其型號的含義和要求,在供需雙方理解相同的條件下簽訂合同;
產品質量要求、質量標準、供方對質量負責的條件:按有關質量標準執行;
報價確認:我司提供報價清單及標準說明至客戶確認,在雙方確認后再擬定合同;
X41F-美標法蘭旋塞閥使用的場合重要或環境比較復雜時,請您盡量提供設計圖紙和詳細參數,由我們幫您確認。
上海昆煉閥門制造有限公司
滬公網安備 SITEMAP