
18121388846
cnklfm@163.com
15706269064
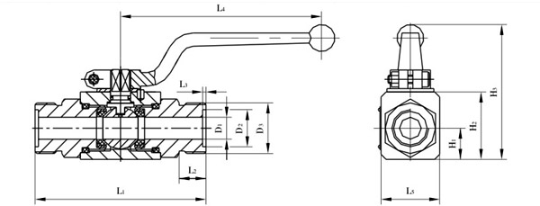
959210378YJZQ液壓高壓球閥是用于液壓管路中控制油液的流通和截止,本型球閥具有流阻損失小,密封性能,操作方便等特點。
公稱壓力:31.5MPa
適用介質:液壓油

| 型號 | D1 | D2 | L1 | L2 | L3 | L4 | H1 | H2 | H3 |
| YJZQ-J10N | Ф10 | M18×1.5 | 78 | 14 | 105 | 32 | 16 | 36 | 76 |
| YJZQ-J15N | Ф15 | M22×1.5 | 86 | 16 | 147 | 38 | 19 | 45 | 80 |
| YJZQ-J20N | Ф20 | M27×2 | 108 | 18 | 185 | 48 | 25 | 55 | 101 |
| YJZQ-J25N | Ф25 | M33×2 | 116 | 20 | 185 | 57 | 28.5 | 64 | 111 |
| YJZQ-J32N | Ф32 | M42×2 | 136 | 22 | 240 | 75 | 37.5 | 84 | 134 |
| YJZQ-J40N | Ф40 | M48×2 | 148 | 24 | 240 | 85 | 42.5 | 95 | 165 |
| YJZQ-J50N | Ф50 | M64×2 | 180 | 26 | 240 | 104 | 52 | 112.5 | 180 |

| 型號 | D1 | D2 | D3 | L1 | L2 | L3 | L4 | L5 | H1 | H2 | H3 |
| YJZQ-J10W | Ф10 | Ф20 | M27×1.5 | 94 | 16 | 2 | 105 | 32 | 16 | 36 | 76 |
| YJZQ-J15W | Ф15 | Ф22 | M30×1.5 | 102 | 16 | 2 | 147 | 38 | 19 | 45 | 80 |
| YJZQ-J20W | Ф20 | Ф28 | M36×2 | 124 | 18 | 2.5 | 185 | 48 | 25 | 55 | 101 |
| YJZQ-J25W | Ф25 | Ф35 | M42×2 | 136 | 20 | 2.5 | 185 | 57 | 28.5 | 64 | 111 |
| YJZQ-J32W | Ф32 | Ф40 | M52×2 | 150 | 20 | 2.5 | 240 | 75 | 37.5 | 84 | 134 |
| YJZQ-J40W | Ф40 | Ф50 | M64×2 | 180 | 24 | 2.5 | 240 | 85 | 42.5 | 95 | 165 |
| YJZQ-J50W | Ф50 | Ф60 | M72×2 | 210 | 26 | 2.5 | 240 | 104 | 52 | 112.5 | 180 |
獲取YJZQ-液壓高壓球閥報價或訂購產品時請提供以下參數:
執行標準:國標GB,日標JIS,美標ANSI,德標DIN,并支持非標訂制;
公稱通徑(DN),或以“寸”為尺寸單位,如:DN100,4寸(4");
公稱壓力(MPa),或以“Lb”,“K”,“pa”,“kpa”,“bar”,“psi”,為壓力單位,如:1.6MPa,150LB,10K;其它壓力單位將換算成MPa進行計算。
連接形式:法蘭,對夾,焊接(對焊,承插焊),螺紋(G螺紋,NPT螺紋,RC螺紋...),卡箍,卡套;
使用介質:水,弱腐蝕性介質,強腐蝕性介質,蒸汽,油品,可燃氣體,固液共存流體,等等,粘稠介質需提供粘度;
使用溫度:低溫,常溫,中溫,高溫,需提供實際使用溫度值;
閥體材質:鑄鐵,鑄鋼(20#或稱WCB),鍛鋼,不銹鋼(304/304L/316/316L),雙相不銹鋼,等等;
密封材料:橡膠,聚四氟乙烯,陶瓷,PPL等,硬密封(閥體材料密封,合金鋼,硬質合金等);
驅動方式:手柄,蝸輪,氣動,氣動+手動,(選擇氣動驅動需提供氣源壓力,單/雙作用,附件要求...),電動,電動+手動,(選擇電動驅動需提供電壓,電裝防護/防爆要求...),等等;
閥門Kv/Cv值:若對流量有要求,需提出;
以上為常規選型,提供相關參數若符合常規產品即可獲取對應產品報價,非標訂制(非常規尺寸/閥體材質/密封材質/使用介質/溫度等)需由我司具體確認價格及貨期。
若有產品試驗、檢驗標準及其他要求需在獲取報價/訂貨時提出;
若由客戶提供閥門類型和型號時(非標準型號),客戶應正確說明其型號的含義和要求,在供需雙方理解相同的條件下簽訂合同;
產品質量要求、質量標準、供方對質量負責的條件:按有關質量標準執行;
報價確認:我司提供報價清單及標準說明至客戶確認,在雙方確認后再擬定合同;
YJZQ-液壓高壓球閥使用的場合重要或環境比較復雜時,請您盡量提供設計圖紙和詳細參數,由我們幫您確認。
上海昆煉閥門制造有限公司
滬公網安備 SITEMAP